메뉴 건너뛰기
PC 헤더영역
제품소개
전광판
LED조명
신재생 에너지
(ESS, 태양광 발전)
제조공장
공장라인
특허/실용신안
인증/수상
면허
설치사례
전광판
LED조명
신재생에너지
고객센터
견적문의
자료실
KR
EN
로그인
ENG
모바일 헤더영역
로그인
회원가입
제품소개
전광판
LED조명
신재생 에너지
(ESS, 태양광 발전)
제조공장
공장라인
특허/실용신안
인증/수상
면허
설치사례
전광판
LED조명
신재생에너지
고객센터
견적문의
자료실
모바일 메뉴버튼
ENG
자료실
고객센터
자료실
견적문의
자료실
자료실
견적문의
자료실
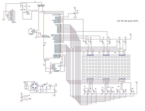
LED 전광판 Dynamic 회로도
유저 이미지
관리자
조회
491
작성
2020. 11. 27. 18:28:56
share
LED전광판 Dynamic 회로도
fileAttachedList
1
1274920436.31.jpg
(100.19kB)
추천
0
목록
share
자료실
의 다른 글
첨단국방산업전 LED조명 외국바이어 상담진행
2020-11-27
첨단국방산업전 LED조명 상담
2020-11-27
아르뷰 전광판 카달로그입니다.
2020-11-27
품질인증(Q-Mark) - 지정서
2020-11-27
0
개 댓글
더보기 (
0
개의 댓글이 더 있음)
0개 댓글